Concerning the changing prerequisite of the market, we maker of the ball valve are herewith the powerful and dependable scope of the PP ball valve with the screwed end, arranged and fabricated in understanding to the global quality principles.
This screwed finish of this PP ball valve is characterized and uniform helps tight fit with the separate channeling framework hardware and guarantees the release free understanding all through. There is no danger of the consumption or harm, because of the PP material, sharing phenomenal obstruction against erosion and synthetic concoctions, making it valuable in a wide range of use.
Our pp screwed end ball valve is broadly being utilized in the different enterprises for controlling or choking and is accessible in the wide assortment of particulars and minimal effort.
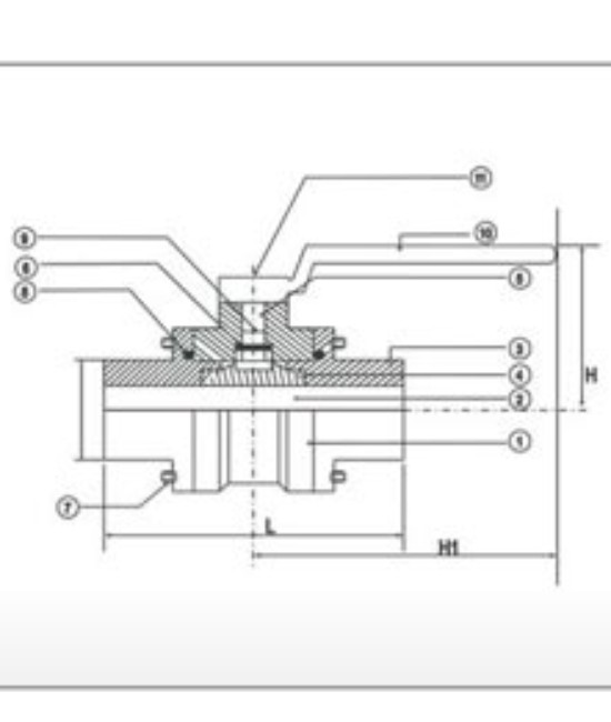
| Sr.No. | Part | Qty. | Material |
| 1. | Body | 1 | Polypropylene |
| 2. | Ball | 1 | P.P.R. |
| 3. | Screw End | 2 | Polypropylene |
| 4. | Seat | 2 | PTEE(Teflon) |
| 5. | Stem | 1 | P.P. Reinforced with M.S. |
| 6. | Bearing | 1 | Teflon |
| 7. | Stud & Nut | 5 to 10 | M.S. Zinc plated / S.S. 304 / S.S.316 |
| 8. | Body “O” Ring | 2 | Neoprene / Teflon |
| 9. | Stem “0” Ring | 1 | Neoprene / Viton |
| 10. | Handle | 1 | P.P. Reinforced with M.S. |
| 11. | Pin | 1 | S.S. 304 |
| Construction | Multi Piece Body |
| Design | Three Piece |
| Size Range | 15mm. to 150mm. |
| Max working temp. | 90ºC (Consistently) |
| Gasket / Stem Seal | Neoprene |
| Hydraulic Test Pressure | 15 kg upto 4″ |
| Valve Size | Length Face to Face | Height Centre (H) |
| 15(1/2″) | 87 | 71.5 |
| 20(3/4″) | 136 | 77 |
| 25(1″) | 103 | 90 |
| 32(1.1/4″) | 132 | 110 |
| 40(1.1/2″) | 132 | 110 |
| 50(2″) | 161 | 117.5 |
| 65(2.1/2″) | 188 | 147.5 |
| 80(3″) | 218 | 162 |
| 100(4″) | 256 | 185 |
PP Screw End Ball Valve and Drip Valves: Reliable Fluid Control Solutions for Various Industries
Introduction :-
PP Screw End Ball Valves and Drip Valves are essential components used in a wide range of industries for efficient fluid control. This article explores the features, benefits, and applications of these valves, highlighting their reliability and versatility.
PP Screw End Ball Valve :
The PP Screw End Ball Valve is a highly reliable and durable valve designed for fluid control applications. It is widely used in industries such as chemical processing, water treatment, pharmaceuticals, and more. Here are some key features and benefits of the PP Screw End Ball Valve:
1. Construction and Design:
- Made from high-quality polypropylene (PP) material, ensuring durability and resistance to corrosion and chemicals.
- Screw end connections provide easy installation and maintenance.
- Compact design allows for installation in space-constrained environments.
2. Ball Valve Operation:
- The 90-degree rotational movement of the ball enables quick and precise flow control.
- Positive shut-off mechanism minimizes the risk of leakage.
- The lockable handle option enhances safety and prevents tampering.
3. Versatility and Applications:
- Suitable for a wide range of fluids, including water, chemicals, and corrosive media.
- Ideal for various industries, including chemical processing plants, water treatment facilities, pharmaceutical industries, and more.
- Can be used in both high-temperature and high-pressure applications.
Drip Valves :-
Drip Valves, also known as Irrigation Valves or Emitters, are crucial components in precision irrigation systems. These valves regulate the flow of water or other fluids to individual plants or crops, ensuring optimal water distribution and minimizing wastage. Here are the key features and benefits of Drip Valves:
1. Adjustable Flow Control:
- Enables precise control over the amount of water delivered to plants.
- Minimizes water wastage and optimizes irrigation efficiency.
- Prevents overwatering and promotes healthy plant growth.
2. Self-Cleaning Mechanism:
- Built-in self-flushing design prevents clogging or blockage.
- Ensures continuous and consistent flow, reducing maintenance requirements.
- Particularly useful in irrigation systems operating in harsh or sediment-laden water conditions.
3. Durability and Easy Maintenance:
- Made from durable materials, such as UV-resistant plastics or corrosion-resistant metals.
- Withstand outdoor elements and have a long lifespan, minimizing replacement costs.
- Easy installation and maintenance, reducing downtime during maintenance tasks.
Conclusion :
PP Screw End Ball Valves and Drip Valves offer reliable and efficient fluid control solutions for various industries. The PP Screw End Ball Valve provides durability and versatility, while Drip Valves ensure precise irrigation and water conservation. Incorporating these valves into your operations can enhance efficiency and productivity.
1. Available in Flange Type in 15 mm to 150 mm and in Screw Type in 15 mm to 100 mm.
2. Manufactured from Poly Propylene, a Chemically inert thermoplastic.
3. Can be used upto 90°C Temp.
4. Hydraulically and Pneumatically tested for 15 kg upto 4″.
5. Protective and Resistive from most of the corrosive Chemicals.
6. Exelent U.V. stabilty due to presence of carbon black.
7. Heavy duty valve can last for years after installation
Copyright © 2026 Globle Infotech. All rights reserved.